The wireframe creation has been completely renewed and is now closer to CAD systems' standard drawing workflow. GIFs have been added for easy use and can be visualized by pointing your cursor on the command!

(blue star)

Bitte lesen Sie die Erklärung unten und beachten Sie, dass Sie Tutorial-Videos ansehen und unten auf der Seite üben können.

Präsentation

Das Wireframe-Menü ist in 5 Untermenüs unterteilt:

Erstellung

Der Großteil des Entwurfs erfolgt dank der Befehle dieses Untermenüs.

Schlichten

Sobald die Skizze erstellt ist, können Sie die Schlichtaktionen wie das Hinzufügen von Verrundungen, Fasen usw. durchführen.

Bohrungen

Standardbohrungen, Benutzerbohrungen (HMF) und Bohrungseditor.

Konisch

Erstellung einer konischen Form, die mit dem Bearbeitungszyklus "Konikfräsen (auf 2D Konikprofil)" verwendet werden soll.

Importbereinigung

Nützliche Befehle beim Importieren von 2D-CAD-Dateien (DXF, DWG…)

Prinzip

Das Prinzip des Drahtmodell-Designs besteht darin, die Drahtmodellgeometrie zu skizzieren und dann die Konturen nachzuzeichnen, ähnlich wie bei einer technischen Zeichnung. Sie können diese Methode mit der Erstellung vordefinierter Formen (Rechtecke, Langlöcher, Bohrungen) kombinieren. Verwenden Sie abschließend Befehle zur Endbearbeitung, wie z. B. Verrundungen, Fasen, Verbindungen usw.

Um Ihren Entwurf schnell und einfach zu erstellen, empfehlen wir Ihnen, Geometrie Form für Form gestalten .

Wenn Sie beispielsweise mehrere Taschen und Konturen zeichnen möchten, erstellen Sie zunächst eine unbegrenzte Geometrie für eine Tasche, zeichnen Sie dann die endgültige Kontur nach und beginnen Sie dann mit dem Zeichnen der zweiten Tasche usw.

Endgültiger Entwurf zum Design

Wenn Sie die gesamte unbegrenzte Geometrie auf einmal erstellen, ist es schwierig, die endgültigen Konturen nachzuzeichnen. Auf der rechten Seite sehen Sie ein Beispiel für eine unbegrenzte Geometrie für eine recht einfache Zeichnung.

Es befinden sich offensichtlich zu viele unbegrenzte Elemente auf dem Bildschirm!

Hier zeigen wir Ihnen dieselbe Zeichnung, wobei die Formen einzeln nachgezeichnet werden.

Das Fertigstellen der Zeichnung ist viel einfacher und übersichtlicher.

Ein weiterer Tipp ist, Erstellen Sie die Formen mit verschiedenen Farben, wie im vorherigen Beispiel.

Es ermöglicht Ihnen, die Geometrie nach Farbe zu sortieren oder auszublenden, wodurch die Auswahl der Bearbeitung erheblich vereinfacht wird.

Another solution is to design with different layers. For more details on layers, Hier klicken .

Allgemeine Verwendung von Befehlen

Die Befehle sind verfügbar in der linke Symbolleiste der Untermenüs .

Hier zeigen wir Ihnen den Kreisbefehl.

Durch Anklicken des zu zeichnenden Features müssen Sie aus den zahlreichen Konstruktionsmodi auswählen.

Anschließend müssen Sie die Erstellungspunkte zuweisen und auf den Hintergrund klicken oder die Koordinaten eingeben, um die Eingabe zu bestätigen (auf der nächsten Seite erklärt).

Sie können dann die korrekten Feature-Parameter einstellen, um das Design abzuschließen und auf Validieren klicken.


Koordinatensystem


Der Skizzierbefehl existiert in der Version 6.09 nicht mehr. Sie können das Koordinatensystem verwenden, um die Zeichnungen zu erstellen:

Sie können die Werte dann manuell eingeben in der X,Y Werte. Sie müssen nicht auf die Eingabetaste klicken. Sie können einfach mit der TAB Taste von einem Feld zum anderen wechseln. Klicken Sie auf das Symbol [1] to create the point(s).

By clicking icon [2] , you can set your coordinates and the grid step.

We can define the Z altitude [3] using the two methods:

1 - Typ den Wert manuell im Feld.

2 - Verwenden Sie die Pipette [4] to pick the altitude.

Sie können ein Video über das Design auf der Z-Höhe rechts ansehen:

Creation of entities at different Z-20240814-104820.png

geschlossen: Der eingegebene Wert im Feld wird gesperrt.

offen: Wert des Feldes oder Wert des ausgewählten bestehenden Punktes.

Wählen Sie die Höhe.

Ihr Zug!

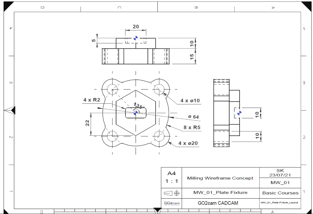
Unten sind die Layout-Diagramme von 2 Werkstücken, die wir entwerfen werden. Sie können entweder die Videos ansehen, um zu sehen, wie die Werkstücke entworfen werden, oder Sie können versuchen, sie selbst zu entwerfen.

Plattenaufspannung

Dieses Video führt in die Erstellung von:

Kreis, Linie, Konstruktion, Polygon, Rechteck, Verrundung.

Plate Fixture Wireframe.png

Rahmen

Dieses Video führt in die Erstellung von:

Rechteck, Segment, Verrundung, Standard Bohrung, Beschneiden oder Erweitern, Paralleles Profil, Fase.

Framework Wireframe.png